菜 单关 闭
产品快速导航
7*24h服务热线0571-86604775

扫一扫关注官方微信平台

M12耐高压电感式接近开关 返回 产品资料下载
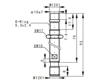
产品图片 尺寸图
特点描述 型号规格
规格 M12
齐平/非齐平 齐平
感应距离 1.5mm
外壳材料 不锈钢
工作电压 10-30VDC
允许脉动电压 <10%
空载电流 <10mA
最大负载电流 200mA
漏电流 <0.01mA
压降 <1.5V
开关频率 600HZ
开关磁滞 <15%(Sr)
重复精度 <1.0(Sr)
防护等级 IP68
工作温度 -25℃-+80℃
温度漂移 10%Sr
短路保护 YES
过载电流 220mA
感应面材料   磁质ZrO
最大工作压力 500bar
DC3线10-30V
PNP 常开 HSP-C1209-N01
NPN 常开 HSP-C1209-P01

扫一扫关注公众号

X

申请试用

审核通过后,我们会在24小时内联系您

姓 名 *
电 话 *
邮 箱
留 言
X

样本索取

审核通过后,我们会在24小时内联系您

姓 名 *
电 话 *
邮 箱
留 言
X
会员登录
忘记密码 没有账户?立即注册
X
会员注册
X
忘记密码