菜 单关 闭
产品快速导航
7*24h服务热线0571-86604775

扫一扫关注官方微信平台

pF30方型光电开关 返回 产品资料下载
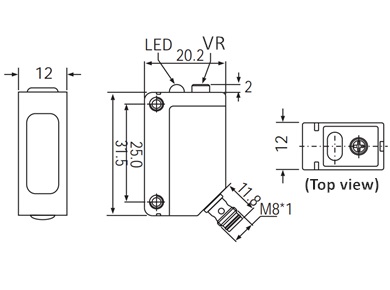
产品图片 尺寸图
特点描述 型号规格
类型 PF30
感应模式 漫反射式
感应距离 110mm 350mm
工作电压 10-30VDC
电压波动 ≤10%
测量误差 ±10%Sn
回滞 15%
光源 红外光(880nm)
输出 NPN亮通+暗通或PNPN亮通+暗通
最大输出电流 100mA
空载电流 <35mA
导通压降 ≤2.0V(I=100mA)
红色LED 输出指示
绿色LED 电源指示和状态指示
灵敏度调节 可旋转1圈电位计
开关频率 500Hz
响应时间 1mS
上电延时 <300mS
短路保护 有      
极性反向保护 有      
工作温度 -25℃至55℃
抗光干扰 >5.000Lux
防护等级 IP67
外壳材料 ABS
标准检测物体 10*10白纸

漫反射式(引线) NPN亮通+暗通 PF30-D100-NS PF30-D500-NS
PNP亮通+暗通 PF30-D100-PS PF30-D500-PS
漫反射式(插头) NPN亮通+暗通 PF30-D100-NS-P4 PF30-D500-NS-P4
PNP亮通+暗通 PF30-D100-PS-P4 PF30-D500-PS-P4

扫一扫关注公众号

X

申请试用

审核通过后,我们会在24小时内联系您

姓 名 *
电 话 *
邮 箱
留 言
X

样本索取

审核通过后,我们会在24小时内联系您

姓 名 *
电 话 *
邮 箱
留 言
X
会员登录
忘记密码 没有账户?立即注册
X
会员注册
X
忘记密码