菜 单关 闭
产品快速导航
7*24h服务热线0571-86604775

扫一扫关注官方微信平台

智能数字光纤传感器系列 返回 产品资料下载
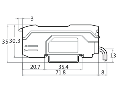
产品图片 尺寸图
特点描述 型号规格
连接方式 出线式/M8接插件
短路保护 逆电极保护(电源)、过电流保护(输出)、过电压(输出)
反应时间 Anti oFF:50us(High speed)250us(Fine)/1us(SUPER)16us(MEGA)
输出选择 LIGHT-ON/DARK-ON(开关选择)
工作温度 -25℃至55℃(无凝结)
环境湿度 35至85%RH(无冻结)
环境亮度 太阳光:30000Lux,白炽灯:20000Lux
电源电压 12至24VDC±10%,纹波电压(P-P):最大10%
尺寸 30.3*9.8*71.8mm
重量 约66g
抗振动 频率为10-55HZ,复合振幅1.5mm,在X、Y、Z方向各三次
抗冲击 500m/s²,使用加速度50g,在X、Y、Z方向各三次
光源 红色发光二极管LED
材料 聚碳酸酯
消耗电流/NPN 正常:900mW MAX(24v时,36mA Max;12v时,48mA Max);节电模式:800mW MAX(24v时,32mA Max;12v时,39mA Max)
消耗电流/PNP 正常:950mW MAX(24v时,39mA Max;12v时,52mA Max);节电模式:850mW MAX(24v时,35mA Max;12v时,44mA Max)
控制输出/NPN NPN集电极开路24V,输出最大值:≤100mA,(连接多个子模块);剩余电压≤1v
控制输出/PNP PNP集电极开路24V,1路输出最大值:≤100mA ;剩余电压≤1v       
型号\连接方式 出线式 M8接插件
接收器\NPN HLF-NS HLF-NS-CP4
接收器\PNP HLF-PS HLF-PS-CP4

扫一扫关注公众号

X

申请试用

审核通过后,我们会在24小时内联系您

姓 名 *
电 话 *
邮 箱
留 言
X

样本索取

审核通过后,我们会在24小时内联系您

姓 名 *
电 话 *
邮 箱
留 言
X
会员登录
忘记密码 没有账户?立即注册
X
会员注册
X
忘记密码