菜 单关 闭
产品快速导航
7*24h服务热线0571-86604775

扫一扫关注官方微信平台

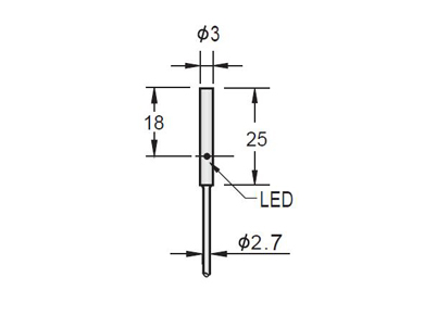
φ3直流三线小型化电感式接近开关 返回 产品资料下载
产品图片 尺寸图
特点描述 型号规格
规格 φ3
齐平/非齐平 齐平
感应距离 0.6mm
外壳材料 不锈钢
工作电压 10-30VDC
允许脉动电压 10%
空载电流 10mA
最大负载电流 100mA
漏电流 0.01mA
压降 1.5V
开关频率 2KHZ
响应时间 0.1ms/0.1ms
开关磁滞 15%Sr
重复精度 1.0Sr
防护等级 IP67
工作温度 -25-+70
温度漂移 10%Sr
短路保护 YES
过载电流 120mA
感应面材料   POM      

DC3线10-30V NPN常开 HS-S03-N01
DC3线10-30V NPN常闭 HS-S03-N02
DC3线10-30V PNP常开 HS-S03-P01
DC3线10-30V PNP常闭 HS-S03-P02


扫一扫关注公众号

X

申请试用

审核通过后,我们会在24小时内联系您

姓 名 *
电 话 *
邮 箱
留 言
X

样本索取

审核通过后,我们会在24小时内联系您

姓 名 *
电 话 *
邮 箱
留 言
X
会员登录
忘记密码 没有账户?立即注册
X
会员注册
X
忘记密码