菜 单关 闭
产品快速导航
7*24h服务热线0571-86604775

扫一扫关注官方微信平台

pF30方型光电开关 返回 产品资料下载
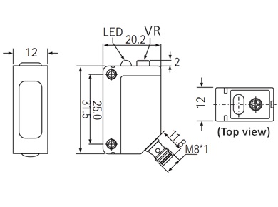
产品图片 尺寸图
特点描述 型号规格
类型 PF30
感应模式 对射式
感应距离 5m 10m
工作电压 10-30VDC
电压波动 ≤10%
测量误差 ±10%Sn
回滞 15%
光源 红外光(880nm)
输出 NPN亮通+暗通或PNPN亮通+暗通
最大输出电流 100mA
空载电流 <35mA
导通压降 ≤2.0V(I=100mA)
红色LED 输出指示
绿色LED 电源指示和状态指示
灵敏度调节 可旋转1圈电位计
开关频率 500Hz
响应时间 1mS
上电延时 <300mS
短路保护 有      
极性反向保护 有      
工作温度 -25℃至55℃
抗光干扰 >5.000Lux
防护等级 IP67
外壳材料 ABS
标准检测物体
对射式 发射器 PF30U-T05-DE PF30-T10-DE
接收器(NPN亮通+暗通) PF30U-T05-NS PF30-T10-NS
接收器(PNP亮通+暗通) PF30U-T05-PS PF30-T10-PS

扫一扫关注公众号

X

申请试用

审核通过后,我们会在24小时内联系您

姓 名 *
电 话 *
邮 箱
留 言
X

样本索取

审核通过后,我们会在24小时内联系您

姓 名 *
电 话 *
邮 箱
留 言
X
会员登录
忘记密码 没有账户?立即注册
X
会员注册
X
忘记密码